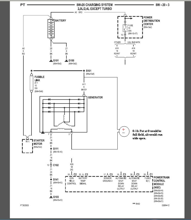
Web Analytics Made Easy - Statcounter

Kenwood KDC Wiring Diagram: Upgrade Your Car Audio NOW! Kenwood kdc bt555u wiring diagram

If you are looking for Kenwood Kdc 108 Wiring Diagram - Wiring Diagram you've visit to the right place. We have 25 Pics about Kenwood Kdc 108 Wiring Diagram - Wiring Diagram like Kenwood Kdc Wiring Diagram - Wiring Diagram, Kenwood Kdc 132 Wiring Diagram and also Kenwood Kdc 138 Wiring Diagram - Wiring Diagram. Here it is:

Kenwood Kdc 108 Wiring Diagram - Wiring Diagram

Kenwood Kdc 108 Wiring Diagram - Wiring Diagram annawiringdiagram.com

kenwood wiring kdc harness

Kenwood Kdc Mp142 Wiring Diagram

Kenwood Kdc Mp142 Wiring Diagram wiringall.com

kdc kenwood wiring elektrotanya schematron wire

Wiring Diagram Kenwood Kdc 138

Wiring Diagram Kenwood Kdc 138 wiringall.com

kenwood wiring kdc ph4 wiringall 1st stereo wire reattaching refer aftermarket harness

Kenwood Kdc Mp528 Wiring Diagram

Kenwood Kdc Mp528 Wiring Diagram wiringall.com

kenwood kdc mp btu wiringall

Complete Guide To Kenwood KDC Wiring Diagram: Step-by-Step Instructions

Complete Guide to Kenwood KDC Wiring Diagram: Step-by-Step Instructions techschematic.com

Kenwood Kdc 248U Wiring Diagram - Wiring Diagram

Kenwood Kdc 248U Wiring Diagram - Wiring Diagram annawiringdiagram.com

wiring diagram kdc kenwood detailed

Kenwood Kdc Bt648u Wiring Diagram

Kenwood Kdc Bt648u Wiring Diagram diagramweb.net

wiring kenwood diagram kdc plug diagramweb model

Kenwood Kdc 252u Wiring Diagram

Kenwood Kdc 252u Wiring Diagram diagramweb.net

kenwood kdc diagram wiring 2023 2094 2024 sm dc 1st preview

Kenwood Kdc 132 Wiring Diagram

Kenwood Kdc 132 Wiring Diagram wiringall.com

kenwood kdc bose gmos catera cadillac installing input wiringall

Kenwood Kdc 258u Wiring Diagram

Kenwood Kdc 258u Wiring Diagram diagramweb.net

kdc kenwood sch 2011s horbar authored has

Kenwood Kdc Wiring Diagram - Worksly

Kenwood Kdc Wiring Diagram - Worksly worksly.blogspot.com

Kenwood Radio Kdc 152 Wiring Diagram - Wiring Diagram Essig - Kenwood

Kenwood Radio Kdc 152 Wiring Diagram - Wiring Diagram Essig - Kenwood annawiringdiagram.com

kenwood wiring kdc harness essig krc connector kmr tankbig user equation wires terminals connecting schematics

Kenwood Kdc 132 Wiring Diagram For Your Needs

Kenwood Kdc 132 Wiring Diagram For Your Needs www.got2bwireless.com

Kenwood Kdc Mp238 Wiring Diagram

Kenwood Kdc Mp238 Wiring Diagram www.chanish.org

wiring kenwood kdc harness pioneer stereo wire mikrora properly equalizer set

Kenwood Kdc-258u Wiring Diagram In Color

Kenwood Kdc-258u Wiring Diagram In Color wiringall.com

kenwood wiring kdc harness kvt receiver legend mpu manuals

Wiring Diagram Kenwood Kdc 138

Wiring Diagram Kenwood Kdc 138 wiringall.com

kdc kenwood l4 schematron experience

Kenwood Kdc Bt555u Wiring Diagram

Kenwood Kdc Bt555u Wiring Diagram www.tankbig.com

kenwood wiring diagram kdc

Kenwood Kdc Wiring Harness Diagram Kenwood Kdc Wiring Diagram | My XXX

Kenwood Kdc Wiring Harness Diagram Kenwood Kdc Wiring Diagram | My XXX www.myxxgirl.com

Kenwood Kdc 258u Wiring Diagram

Kenwood Kdc 258u Wiring Diagram diagramweb.net

kenwood kdc x595 diagramweb 200u x597 wiringall 1st lf localización solución

Kenwood Kdc-x895 Wiring Diagram

Kenwood Kdc-x895 Wiring Diagram wiringall.com

kenwood kdc wiring diagram excelon knob press volume provided appears approx seconds demo below

Kenwood Kdc Wiring Diagram - Wiring Diagram

Kenwood Kdc Wiring Diagram - Wiring Diagram annawiringdiagram.com

kenwood kdc wiring diagram

Kenwood Kdc 138 Wiring Diagram - Wiring Diagram

Kenwood Kdc 138 Wiring Diagram - Wiring Diagram annawiringdiagram.com

wiring kenwood kdc

Kenwood Kdc 200u Wiring Diagram

Kenwood Kdc 200u Wiring Diagram wiringall.com

kenwood kdc wiring 200u

Kenwood Kdc Bt330u Wiring Diagram

Kenwood Kdc Bt330u Wiring Diagram www.chanish.org

kdc kenwood wiring diagram picclick

Kenwood Kdc 355u Wiring Diagram

Kenwood Kdc 355u Wiring Diagram diagramweb.net

kenwood wiring kdc diagram close

Kdc kenwood sch 2011s horbar authored has. Kenwood kdc bose gmos catera cadillac installing input wiringall. Kenwood kdc bt648u wiring diagram