Web Analytics Made Easy - Statcounter

Skoda Felicia Wiring Diagram: Solve Your Car's Electrical Problems! Skoda felicia wiring diagram fun ignition switch briskoda pickup

If you are searching about skoda felicia wiring diagram - Wiring Diagram you've visit to the right page. We have 25 Images about skoda felicia wiring diagram - Wiring Diagram like Skoda Felicia Electrical Wiring Diagram - Wiring Diagram, Skoda Fabia Electrical Wiring Diagram - Wiring Diagram and also Skoda Felicia Wiring Diagram - Diysard. Here you go:

Skoda Felicia Wiring Diagram - Wiring Diagram

skoda felicia wiring diagram - Wiring Diagram wiringdiagram.2bitboer.com

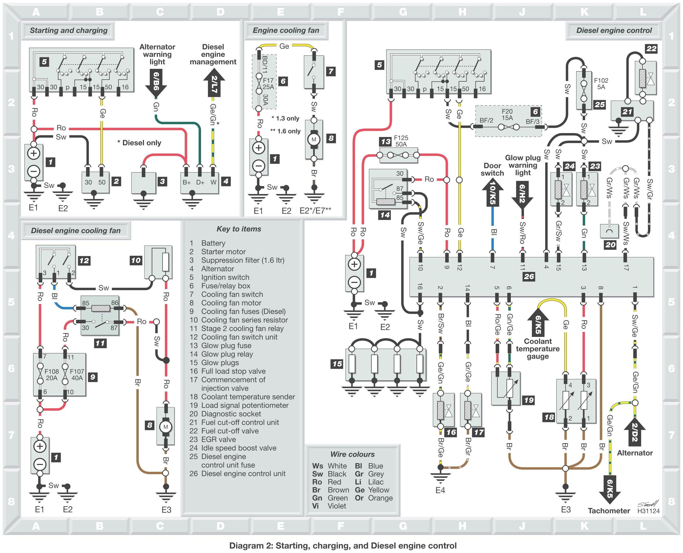
[DIAGRAM] Skoda Felicia Wiring Diagram - MYDIAGRAM.ONLINE

[DIAGRAM] Skoda Felicia Wiring Diagram - MYDIAGRAM.ONLINE mydiagram.online

Wiring Diagram Skoda Octavia - Wiring Digital And Schematic

Wiring Diagram Skoda Octavia - Wiring Digital and Schematic www.wiringdigital.com

Skoda Felicia Wiring Diagram - Wiring Diagram

skoda felicia wiring diagram - Wiring Diagram wiringdiagram.2bitboer.com

Skoda Felicia Wiring Diagram - Wiring Diagram

skoda felicia wiring diagram - Wiring Diagram wiringdiagram.2bitboer.com

skoda abs wiring diagram felicia briskoda fun front 2001

Skoda Fabia Electrical Wiring Diagram - Wiring Diagram

Skoda Fabia Electrical Wiring Diagram - Wiring Diagram wiringdiagram.2bitboer.com

diagram wiring skoda fabia car stereo ten fujitsu chevy imgur headlight electrical 2010 2008 database

[DIAGRAM] Skoda Felicia Wiring Diagram Engine - MYDIAGRAM.ONLINE

[DIAGRAM] Skoda Felicia Wiring Diagram Engine - MYDIAGRAM.ONLINE mydiagram.online

Skoda Felicia Wiring Diagram Engine

Skoda Felicia Wiring Diagram Engine wiredatalilminwoodc.z22.web.core.windows.net

Gaming Lovers: Skoda Felicia Wiring Diagram Pdf

Gaming Lovers: Skoda Felicia Wiring Diagram Pdf pdfeebookblog.blogspot.com

[DIAGRAM] Skoda Felicia Wiring Diagram Engine - WIRINGSCHEMA.COM

[DIAGRAM] Skoda Felicia Wiring Diagram Engine - WIRINGSCHEMA.COM wiringschema.com

Skoda Felicia Wiring Diagram - Wiring Diagram

skoda felicia wiring diagram - Wiring Diagram wiringdiagram.2bitboer.com

Skoda Felicia Electrical Wiring Diagram - Wiring Diagram

Skoda Felicia Electrical Wiring Diagram - Wiring Diagram wiringdiagram.2bitboer.com

Skoda Fabia Electrical Wiring Diagram - Wiring Diagram

Skoda Fabia Electrical Wiring Diagram - Wiring Diagram wiringdiagram.2bitboer.com

skoda fabia diagram mk2 diagrams

Skoda Felicia Wiring Diagram - Wiring Diagram

skoda felicia wiring diagram - Wiring Diagram wiringdiagram.2bitboer.com

Skoda Fabia 2 Electrical Wiring Diagram - Wiring Digital And Schematic

Skoda Fabia 2 Electrical Wiring Diagram - Wiring Digital and Schematic www.wiringdigital.com

Skoda Felicia Wiring Diagram - Diysard

Skoda Felicia Wiring Diagram - Diysard diysard.blogspot.com

Skoda Fabia Electrical Wiring Diagram - Wiring Diagram

Skoda Fabia Electrical Wiring Diagram - Wiring Diagram wiringdiagram.2bitboer.com

skoda fabia

[DIAGRAM] Skoda Felicia Wiring Diagram Pdf - MYDIAGRAM.ONLINE

[DIAGRAM] Skoda Felicia Wiring Diagram Pdf - MYDIAGRAM.ONLINE mydiagram.online

Skoda Felicia 1 3 Wiring Diagram - Wiring Diagram

Skoda Felicia 1 3 Wiring Diagram - Wiring Diagram wiringdiagram.2bitboer.com

Wiring Diagram Skoda Octavia 1 - Wiring Diagram

Wiring Diagram Skoda Octavia 1 - Wiring Diagram wiringdiagram.2bitboer.com

octavia skoda wiring

Skoda Felicia Wiring Diagram - Wiring Diagram

skoda felicia wiring diagram - Wiring Diagram wiringdiagram.2bitboer.com

Skoda Felicia Wiring Diagram - Wiring Diagram

skoda felicia wiring diagram - Wiring Diagram wiringdiagram.2bitboer.com

Skoda Fabia 2 Electrical Wiring Diagram - Wiring Digital And Schematic

Skoda Fabia 2 Electrical Wiring Diagram - Wiring Digital and Schematic www.wiringdigital.com

Skoda Felicia Wiring Diagram - Wiring Diagram

skoda felicia wiring diagram - Wiring Diagram wiringdiagram.2bitboer.com

skoda felicia wiring diagram fun ignition switch briskoda pickup

Skoda Felicia Electrical Diagram Skoda Felicia Fuse Bezpiecz

Skoda Felicia Electrical Diagram Skoda Felicia Fuse Bezpiecz gyltifark8pcircuit.z21.web.core.windows.net

Skoda felicia wiring diagram engine. Skoda fabia 2 electrical wiring diagram. [diagram] skoda felicia wiring diagram engine